Стоимость
По запросу
Показать номер телефона
Не указан- ID: 1476
- Дата публикации: 2021-01-18 18:40:46
- Наименование продавца: Операторы витрины
- Категория: Гражданская продукция Ростех
Общая информация
Местонахождение
Реализация объекта
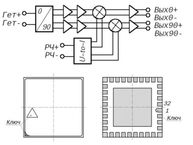
Кремний-германиевая БиКМОП СБИС широкополосного квадратурного демодулятора предназначена для применения в радиотрактах аппаратуры военного и специального назначения и обеспечивает:
Возможность однополярного включения гетеродина;
Высокую линейность;
Меньшую по сравнению с аналогами потребляемую мощность.
Регион
МоскваНаселенный пункт
Москва- Наименование группы компаний: АО «НИИМА «Прогресс»
- Обременение: Нет
- Реализуется в рамках процедуры банкротства: Нет
- Реализуется в рамках исполнительного производства: Нет